
开关电源作为现代电子产品的供电设备,不仅其性能要满足供电设备的需求,自身保护措施也很关键。为了提高开关电源的可靠性,使其能够在恶劣环境以及突发故障情况下安全可靠地工作,需要设计合理的保护电路。
开关电源常用过流保护电路
1、采用电流传感器进行电流检测
过流检测传感器的工作原理如图1所示。通过变流器所获得的变流器次级电流经I/V转换成电压,该电压直流化后,由电压比较器与设定值相比较,若直流电压大于设定值,则发出辨别信号。但是这种检测传感器一般多用于监视感应电源的负载电流,为此需采取如下措施。由于感应电源启动时,启动电流为额定值的数倍,与启动结束时的电流相比大得多,所以在单纯监视电流电瓶的情况下,感应电源启动时应得到必要的输出信号,必须用定时器设定禁止时间,使感应电源启动结束前不输出不必要的信号,定时结束后,转入预定的监视状态。
2、启动浪涌电流限制电路
开关电源在加电时,会产生较高的浪涌电流,因此必须在电源的输入端安装防止浪涌电流的软启动装置,才能有效地将浪涌电流减小到允许的范围内。浪涌电流主要是由滤波电容充电引起,在开关管开始导通的瞬间,电容对交流呈现出较低的阻抗。如果不采取任何保护措施,浪涌电流可接近数百A。
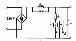
图2
开关电源的输入一般采用电容整流滤波电路如图2所示,滤波电容C可选用低频或高频电容器,若用低频电容器则需并联同容量高频电容器来承担充放电电流。图中在整流和滤波之间串入的限流电阻Rsc是为了防止浪涌电流的冲击。合闸时Rsc限制了电容C的充电电流,经过一段时间,C上的电压达到预置值或电容C1上电压达到继电器T动作电压时,Rsc被短路完成了启动。同时还可以采用可控硅等电路来短接Rsc。当合闸时,由于可控硅截止,通过Rsc对电容C 进行充电,经一段时间后,触发可控硅导通,从而短接了限流电阻Rsc。
在一般情况下,利用基极驱动电路将电源的控制电路和开关晶体管隔离开。控制电路与输出电路共地,限流电路可以直接与输出电路连接,工作原理如图3所示,当输出过载或者短路时,V1导通,R3两端电压增大,并与比较器反相端的基准电压比较。控制PWM信号通断。
图3
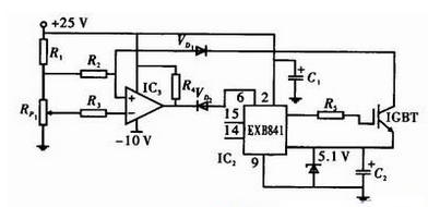
4、通过检测IGBT的Vce
当电源输出过载或者短路时,IGBT的Vce值则变大,根据此原理可以对电路采取保护措施。对此通常使用专用的驱动器EXB841,其内部电路能够很好地完成降栅以及软关断,并具有内部延迟功能,可以消除干扰产生的误动作。其工作原理如图4所示,含有IGBT过流信息的Vce不直接发送到EXB841 的集电极电压监视脚6,而是经快速恢复二极管VD1,通过比较器IC1输出接到EXB841的脚6,从而消除正向压降随电流不同而异的情况,采用阈值比较器,提高电流检测的准确性。假如发生了过流,驱动器:EXB841的低速切断电路会缓慢关断IGBT,从而避免集电极电流尖峰脉冲损坏IGBT器件。
图4
结束语
近年来,开关电源的应用广泛,对其可靠性也有了更高的要求。一旦电子产品出现了故障,如果电子产品输入端短路或者输出端开路,则电源必须关闭其输出电压,才能保护功率MOSFET和输出端设备等不被烧毁,否则可能引起电子产品的进一步损坏,甚至引起操作人员的触电及火灾等。所以开关电源的过流保护功能一定要完善。
声明:本内容为作者独立观点,不代表电源网。本网站原创内容,如需转载,请注明出处;本网站转载的内容(文章、图片、视频)等资料版权归原作者所有。如我们采用了您不宜公开的文章或图片,未能及时和您确认,避免给双方造成不必要的经济损失,请电邮联系我们,以便迅速采取适当处理措施;欢迎投稿,邮箱∶editor@netbroad.com。